Vantaggi del prodotto:
Gli escavatori sono dotati di marchio CE su tutta la gamma.
I piccoli escavatori soddisfano gli standard sulle emissioni Euro 5 ed EPA.
Gli ordini all'ingrosso sono disponibili a prezzi preferenziali.
I produttori dispongono di inventario e consegnano rapidamente.
Il personale del servizio clienti è online 24 ore al giorno.
ODM/OEM è supportato.
Ottieni preventivi on-line.
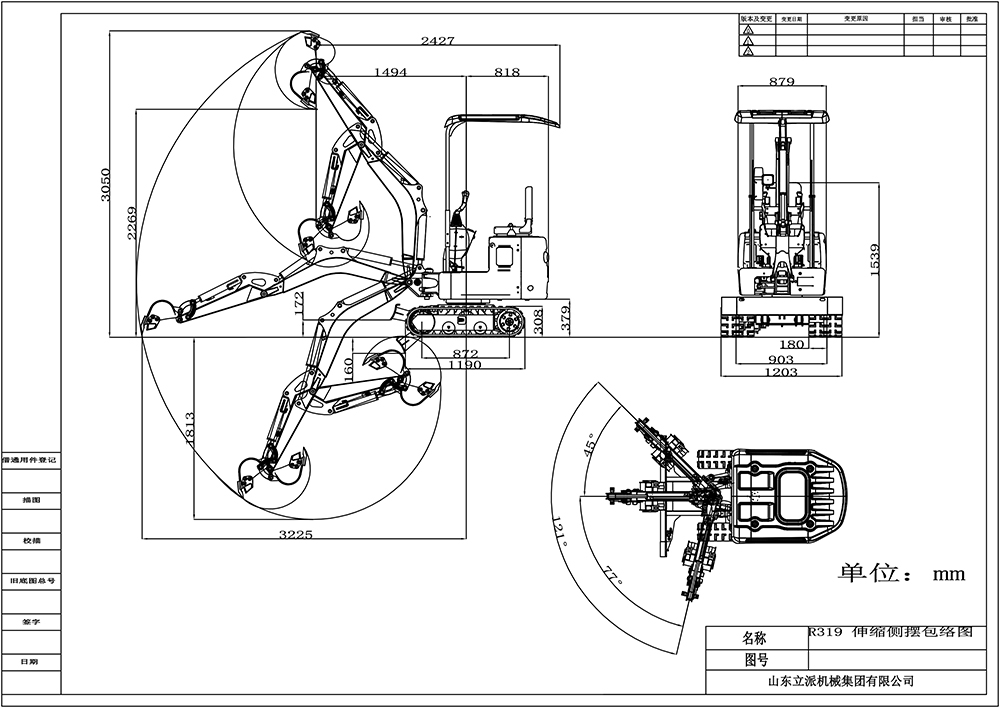
| Parametri prestazionali di base | |
| Peso di lavoro (kg) | 910 |
| Velocità di camminata bassa/alta (km/h) | 0-1.8 |
| Pressione specifica al suolo (Kpa) | 25.53 |
| Raggio massimo di scavo (mm) | 2823 |
| Profondità massima di scavo (mm) | 1563 |
| Altezza massima di scavo (mm) | 2478 |
| Altezza massima di scarico (mm) | 1826 |
| Motore | |
| Marca del motore | Kubota |
| Modello del motore | D722 |
| Potenza massima (ps) | 13.97 |
| Potenza massima (Kw) | 10.2 |
| Velocità massima (rpm) | 2500 |
| Cilindrata (L) | 0,719 |
| Numero di cilindri | 3 |
| Metodo di raffreddamento | raffreddamento ad acqua |
| Volume sostituzione olio motore (L) | 3.5 |
| Forma di carburante | Carburante diesel |
| Consumo teorico di carburante (L/h) | 1.1-1.5 |






Presentato correttamente
Vi contatteremo quanto prima